Introduzzjoni tal-Prodott
Sabiex titjieb aktar ir-reżistenza għall-ilbies ta '8-30 kg \/ m binarji ħfief, it-teknoloġija ta' tkessiħ tas-sħana residwa onlajn hija ġeneralment użata. Din it-teknoloġija malajr tfarrak il-linji wara l-irrumblar sħun, sabiex saff ta 'struttura martensitika ta' hardness għolja jkun iffurmat fuq il-wiċċ tar-ras tal-ferrovija, u l-ebusija tar-ras tal-ferrovija tista 'tilħaq 280-320 hb. Dan il-metodu ta 'trattament jestendi b'mod sinifikanti l-ħajja tas-servizz tal-linji, speċjalment f'kundizzjonijiet fejn huma spiss imfarrka mir-roti.
F'applikazzjonijiet ta 'inġinerija attwali, il-binarji ħfief ta' 30kg GB jispikkaw bil-kostruzzjoni baxxa u l-kostruzzjoni veloċi tagħhom. Fil-kostruzzjoni ta 'toroq ta' aċċess għal kostruzzjoni temporanja, minħabba l-perjodu qasir ta 'kostruzzjoni u rekwiżiti relattivament baxxi għat-tagħbija tal-binarji, binarji ħfief jistgħu jiġu stabbiliti malajr biex jiżguraw il-passaġġ ta' vetturi ta 'inġinerija; F'termini ta 'rails ta' ġiti fil-parkijiet agrikoli, binarji ħfief ta '30kg \/ m mhux biss jissodisfaw il-bżonnijiet operattivi tal-ferroviji tal-ġiri, iżda wkoll jaqblu mal-istil tal-pajsaġġ ġenerali tal-park, u joħolqu faċilitajiet tal-ferrovija prattiċi u ornamentali bi prezz aktar baxx.

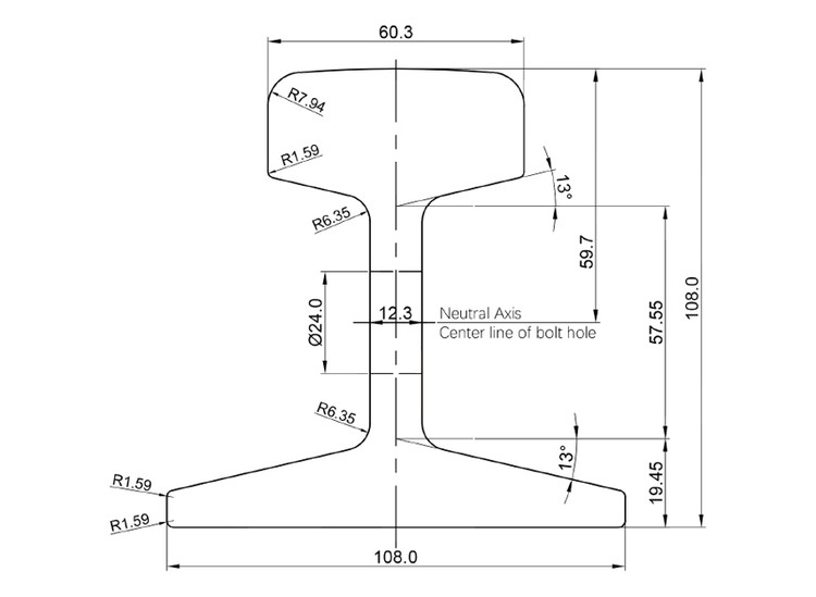
Speċifikazzjonijiet tal-prodott

Applikazzjoni tal-Prodott

Gnee Rail hija intrapriża komprensiva li tispeċjalizza fil-produzzjoni u l-kummerċ internazzjonali ta 'binarji ħfief GB. Il-kumpanija għandha sistema ta 'katina industrijali kompluta, minn akkwist ta' materja prima għall-esportazzjoni tal-prodott lest, u stabbilixxiet proċess strett ta 'kontroll tal-kwalità. Il-bażi ta 'produzzjoni tagħna hija mgħammra b'tagħmir ta' rolling modern u tadotta teknoloġija ta 'produzzjoni avvanzata biex tiżgura li kull ferrovija tissodisfa l-istandards ta' kwalità internazzjonali.
Bħala fornitur tal-ferrovija professjonali, aħna prinċipalment nipproduċu prodotti tal-ferrovija ħafifa bi speċifikazzjonijiet minn 8kg \/ m sa 30kg \/ m, li jkopru varjetà ta 'mudelli u daqsijiet biex jissodisfaw il-bżonnijiet ta' xenarji ta 'applikazzjoni differenti. Il-kumpanija timplimenta strettament is-sistema ta 'ġestjoni tal-kwalità ISO, u l-prodotti kollha jgħaddu minn testijiet ta' proprjetà mekkanika stretta u spezzjonijiet dimensjonali biex tiżgura li r-reżistenza għall-ilbies tagħhom, ir-reżistenza għall-kompressjoni u l-ħajja tas-servizz jilħqu l-livell li jwassal l-industrija.







It-tags Popolari: Track tal-ferrovija ħafifa ta '30kg GB, kina 30kg gb manifatturi tal-ferrovija ħafifa, fornituri, fabbrika






